комплектующие, оборудование и инструменты для производства мебели
комплектующие, оборудование и инструменты для производства мебели
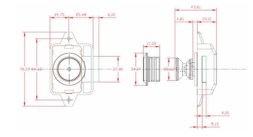
Замок нажимной на толщину двери до 25 мм
Цвет: матовый никель
Материал: пластик+металл
Запросить цену (укажите артикул и количество)

Каталог:
Мы собираем данные через cookie и российские сервисы аналитики, чтобы улучшить сайт.

